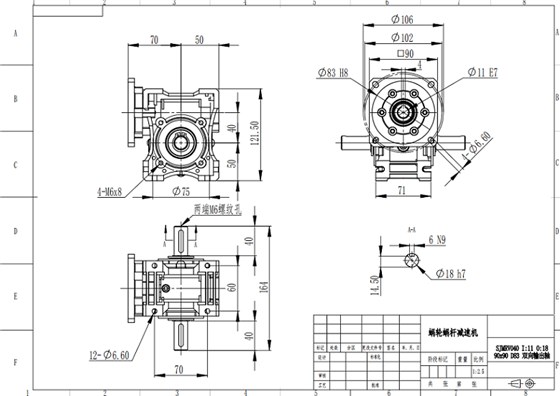
蝸輪減速機雙向輸出軸,是不是有在找這個款的減速機,這不,圖紙技術就出給我了。作為減速機廠家,很多時候是要按照客戶的具體要求來設計生產的。在標準的減速機基礎之上進行改造。
例如這款SJMRVO40雙向輸出軸減速機,就是客戶應用在輸送設備上的。采用這款蝸輪減速機,雙向輸出能夠很好的聯接在設備,當電機運行就會帶動減速機的雙軸運行,在使用過程中運行平穩。
這款SJMRVO40雙向輸出軸減速機外殼采用的是鋁合金材質,安裝方式任意安裝都行。內部蝸輪采用的是耐磨的CuSn12Ni2錫青銅,使用中更耐用。
艾思捷歡迎廣大客戶來電咨詢,
艾思捷SJMRVO40雙向輸出軸減速機-定制熱線: 盛工 18116258006


